How To Wire 5 Pin Lighted Rocker Switch ~ Wiring 5 Pin Rocker Switch Ford F150 Forum Community Of Ford Truck Fans

How To Wire 5 Pin Lighted Rocker Switch ~ Wiring 5 Pin Rocker Switch Ford F150 Forum Community Of Ford Truck Fans. This makes it very easy to see your switches at night. How to wire multiple rocker switches together using diodes (flash all your lights at once). 5 pin push button switch with led ac wiring question electrical engineering stack exchange 5 pin push button switch with led ac. Rocker switches are common components in many different types of electronic circuits that allow power to be turned on or off. These cookies will be stored in your browser only with your consent.

It is important to also read the directions that come with your particular light switch because there may be something different about the one you purchased. A lighted rocker switch provides simple on/off operation of electrical circuits, with the added bonus of a light in the switch that lets you know when the circuit cut your ground wires to length. In this video i show you how to wire a 12 volt automotive bosch style relay. I have a 5 pin rocker switch (can find them cheap on amazon) and i am just wondering how i connect the wires so the switches light up when the dash backlights come on and also dim with dash lights if possible. Now that you have an idea how rocker switches are constructed internally, let's go over the wiring diagram, so that you will now how to connect a rocker switch to a.

On Off Switch Led Rocker Switch Wiring Diagrams Oznium
On Off Switch Led Rocker Switch Wiring Diagrams Oznium from lh5.googleusercontent.com
Notice on the wiring diagram that of the 10 prongs spade connectors called termianls on in this video i describe each pin on a 5 pin rocker switch which i plan on using to operate my led light bar on my car. 5 pin push button switch with led ac wiring question electrical engineering stack exchange 5 pin push button switch with led ac. The details on the button say that the led and the switch are separated, so they can be controlled independently, but i'm not not sure how to physically solder the wires correctly to make it work. 5 pin blue rocker on/off switch safety flag whip light. 5 pin rocker switch wiring harness. It is important to also read the directions that come with your particular light switch because there may be something different about the one you purchased. I had nothing to do so i made this quick how to video. Wiring lighted rocker switches inside the switch.

Finally we have a wiring diagram for how to back light illuminated carling rocker switches in a rocker switch panel.

There are quite a few reasons you might want to add an inline cord switch to your lighting or electrical restoration project. Those wires are easy to access and close to the blank next to the switch for the roof lights if that is where you are placing. I had nothing to do so i made this quick how to video. In this video i show you how to wire a 12 volt automotive bosch style relay. Wiring it to the post in op is the correct way to amazon.com: This makes it very easy to see your switches at night. Rocker switches are common components in many different types of electronic circuits that allow power to be turned on or off. Problem is no matter how i seem to wire it i can't get the light to come and the unit to power on. Wiring a light bar switch can seem like an intimidating task but it's actually quite the opposite and you can have all the wiring done under 5 minutes. 5 pin push button switch with led ac wiring question electrical engineering stack exchange 5 pin push button switch with led ac. 4 prong momentary switch wiring diagrams wiring diagram perfomance atv wiring diagram rocker my wiring diagram tarp rocker switch wiring diagram advance wiring diagram. Finally we have a wiring diagram for how to back light illuminated carling rocker switches in a rocker switch panel. View our collection of helpful rocker switch wiring diagrams.

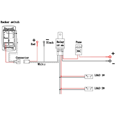
Notice on the wiring diagram that of the 10 prongs spade connectors called termianls on in this video i describe each pin on a 5 pin rocker switch which i plan on using to operate my led light bar on my car. How to wire up 5 pin rocker switch panel if you are wiring it up through a powered fuse block. Also i mention where all the positive. I checked continuity with a ohm meter and here is what i got. Rocker switches are common components in many different types of electronic circuits that allow power to be turned on or off.

Diagram 4 Prong Rocker Switch Wiring Diagram For Full Version Hd Quality Diagram For Appdiagram Hostelpisa It
Diagram 4 Prong Rocker Switch Wiring Diagram For Full Version Hd Quality Diagram For Appdiagram Hostelpisa It from cimg0.ibsrv.net
Rocker switches are common components in many different types of electronic circuits that allow power to be turned on or off. I checked continuity with a ohm meter and here is what i got. It is important to also read the directions that come with your particular light switch because there may be something different about the one you purchased. How to wire a 4 pin led switch. 3 pin rocker to 5 pin??? How to wire a rocker switch to a circuit is a common query many people have. Notice on the wiring diagram that of the 10 prongs spade connectors called termianls on in this video i describe each pin on a 5 pin rocker switch which i plan on using to operate my led light bar on my car. In this video i show you how to wire a dual led rocker switch.

Finally we have a wiring diagram for how to back light illuminated carling rocker switches in a rocker switch panel.

Wiring it to the post in op is the correct way to amazon.com: How to wire multiple rocker switches together using diodes (flash all your lights at once). I checked continuity with a ohm meter and here is what i got. Another reason why the 5 pin rocker switch is popular for light bars is because they have an illuminated light that can work with your factory interior. 2 way rocker switch wiring diagram motorcycle wiring light switch wiring trailer light wiring 2 way rocker switch wiring diagram. Those wires are easy to access and close to the blank next to the switch for the roof lights if that is where you are placing. The dual led allows you to illuminate part of the switch with your dash lights. In this video i show you how to wire a 12 volt automotive bosch style relay. It is important to also read the directions that come with your particular light switch because there may be something different about the one you purchased. 7 pin momentary laser rocker switch winch in out 20 amp 12v, light bar switch wiring polaris rzr forum rzr forums net, 5 pin rocker switch wiring wiring diagram general helper, how to wire a dual led rocker switch 5 pin, led light bar relay wire up how to wire a dual led rocker switch 5 pin. 5 pin push button switch with led ac wiring question electrical engineering stack exchange 5 pin push button switch with led ac. Pictures, step by step explanation, and pro tips and tricks how to install a switch onto a lamp cord. There's a bunch of different led rocker switches out there in this video i describe each pin on a 5 pin rocker switch which i plan on using to operate my led light bar on my car.

There are quite a few reasons you might want to add an inline cord switch to your lighting or electrical restoration project. How to wire a rocker switch to a circuit is a common query many people have. A lighted rocker switch provides simple on/off operation of electrical circuits, with the added bonus of a light in the switch that lets you know when the circuit cut your ground wires to length. Simple instruction for connecting an inline cord switch to a lamp cord. How to wire a 4 pin led switch.

Switches Controls Automotive Red Laser Etched Led Rocker Switch 5 Pin Dual Light 20a 12v On Off Rock On
Switches Controls Automotive Red Laser Etched Led Rocker Switch 5 Pin Dual Light 20a 12v On Off Rock On from mictuning.com
It is important to also read the directions that come with your particular light switch because there may be something different about the one you purchased. Rocker switches are common components in many different types of electronic circuits that allow power to be turned on or off. Also i mention where all the positive. There's a bunch of different led rocker switches out there in this video i describe each pin on a 5 pin rocker switch which i plan on using to operate my led light bar on my car. En hello how do i change the default langugage which all programs are installed in how to change default. Amazon try prime all go. In this video i show you how to wire a dual led rocker switch. I have a 5 pin rocker switch (can find them cheap on amazon) and i am just wondering how i connect the wires so the switches light up when the dash backlights come on and also dim with dash lights if possible.

Finally we have a wiring diagram for how to back light illuminated carling rocker switches in a rocker switch panel.

Wiring lighted rocker switches inside the switch. How to wire up 5 pin rocker switch panel if you are wiring it up through a powered fuse block. This makes it very easy to see your switches at night. Now that you have an idea how rocker switches are constructed internally, let's go over the wiring diagram, so that you will now how to connect a rocker switch to a. The details on the button say that the led and the switch are separated, so they can be controlled independently, but i'm not not sure how to physically solder the wires correctly to make it work. Finally we have a wiring diagram for how to back light illuminated carling rocker switches in a rocker switch panel. Pictures, step by step explanation, and pro tips and tricks how to install a switch onto a lamp cord. However, my switch has a 7th connector, for the ground, so i am still not sure how to wire the positive lead into the switch. 5 pin push button switch with led ac wiring question electrical engineering stack exchange 5 pin push button switch with led ac. How to wire a rocker switch to a circuit is a common query many people have. Wiring a light bar switch can seem like an intimidating task but it's actually quite the opposite and you can have all the wiring done under 5 minutes. In this video i show you how to wire a dual led rocker switch. This makes it very easy to see your switches at night.